Ростовская область, г. Волгодонск,
ул. 7-ая Заводская, 118А

Ежедневно c 8:30 до 17:30

+7 (8639) 27-76-24 +7 (919) 873-84-36
меню
Контакты
Ростовская область, г. Волгодонск,
ул. 7-ая Заводская, 118А

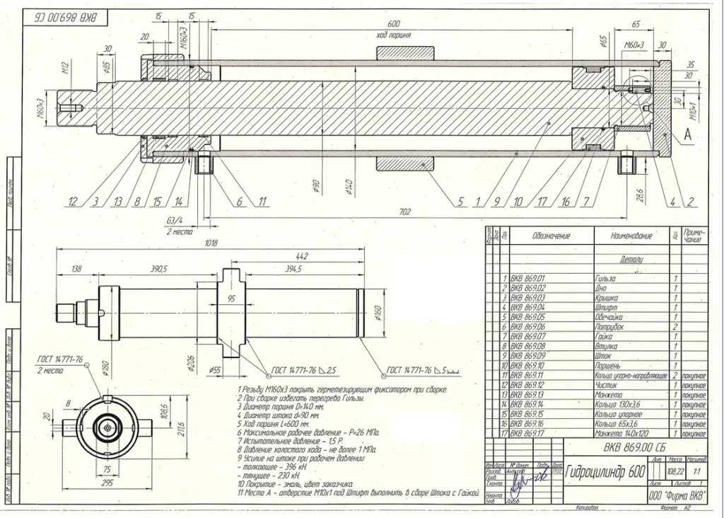
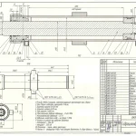
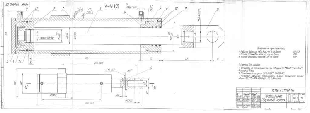
Гидроцилиндры, штоки, гильзы, поршни

Мы специализируемся на изготовлении новых гидроцилиндров и восстановлении старых (в т.ч. импортных), с возможностью изготовления новых деталей и заменой изношенных уплотнений. После сборки все гидроцилиндры подвергаются  гидравлическим испытаниям на специальном стенде.

Описание

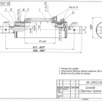
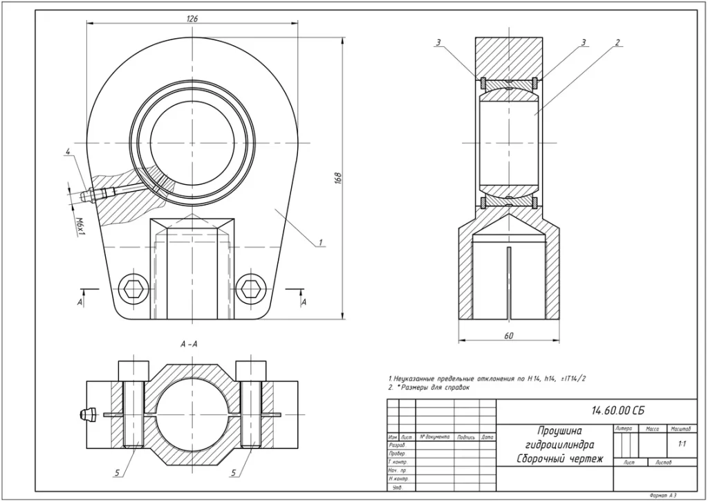
Гидроцилиндр представляет собой изделие, служащее для преобразования давления гидравлического масла в возвратно-поступательное движение штока, совершающего полезную работу.

Основные элементы гидроцилиндров

  • гильза – прецизионная труба (корпус), в которой создается гидравлическое давление масла, приводящее к перемещению поршня;
  • поршень – подвижная часть г/ц, соединённого со штоком, разделяющая камеры гильзы;
  • шток – хромированный стержень, с ТВЧ-закалкой поверхностного слоя, передающий усилие с гидроцилиндра на внешнее устройство;
  • уплотнения (кольца, сальники, манжеты, грязесъёмники) – обеспечивают герметичность гидроцилиндра от протечек масла;
  • распределительный узел – элемент гидроцилиндра, обеспечивающий подачу масла в гидроцилиндр и его слив.

Основные типы гидроцилиндров

  • одностороннего действия – перемещение штока происходит в одном направлении, возврат штока выполняется за счет внешних сил (пружины, вес механизма, особенностей конструкции);
  • двухстороннего действия – рабочее перемещение штока происходит  в обоих направлениях (подача и возврат);
  • телескопические – состоят из нескольких колен (поршней), выдвигающихся последовательно (одна за другой), обеспечивая большую длину хода рабочего штока гидроцилиндра (подъёмные элементы грузовых машин).

Обратный звонок

Перезвоним Вам в ближайшее время, ответим на все интересующие вопросы и подберем индвидуальные условия.

    Даю согласие на обработку моих персональных данных в соответствии с Политикой конфиденциальности.